Skip to Content
Global Sites

Overview

This power semiconductor module significantly reduces the footprint compared to conventional Mini DIPIPM while maintaining equivalent insulation distance, supports operation at -40°C for cold climates, and contributes to greater design flexibility and reduced environmental impact in air conditioning systems.

Key Features

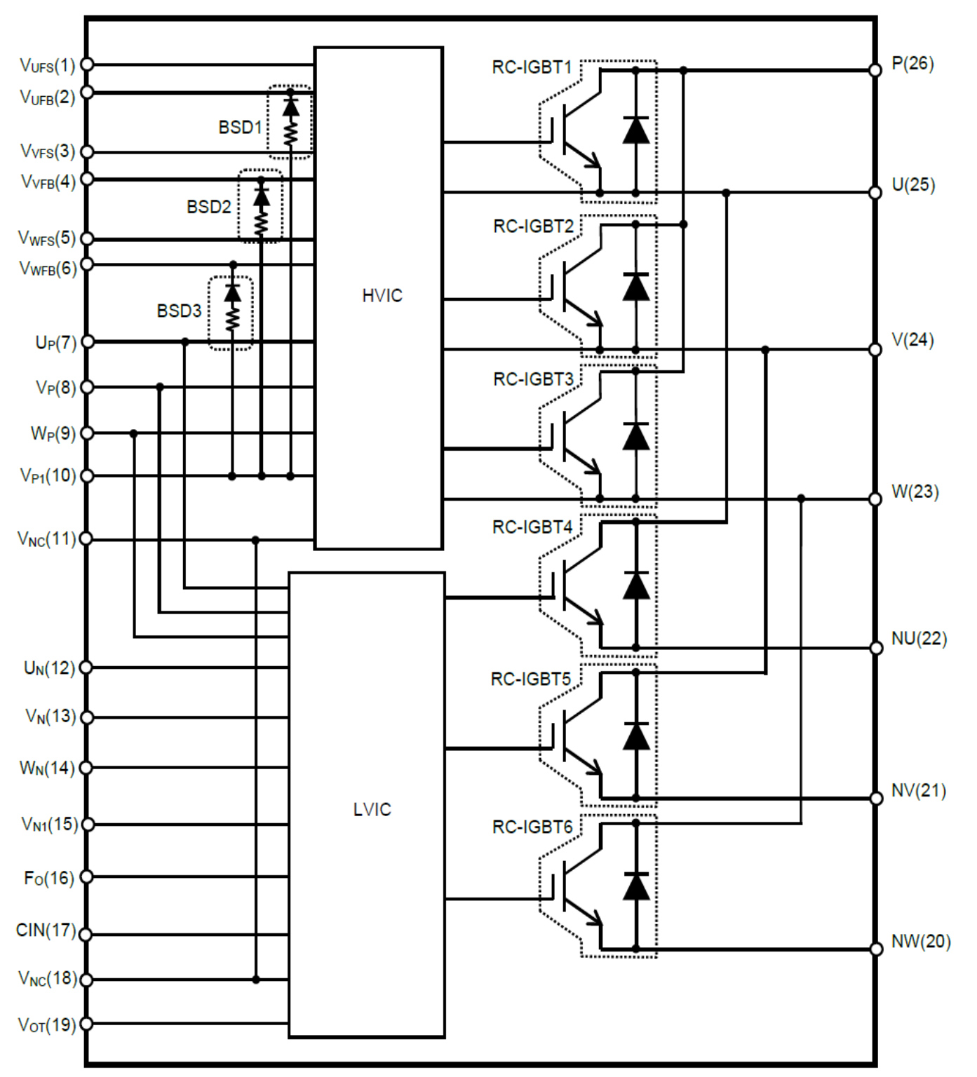
  • For P-side: Drive circuit, High voltage high-speed level shifting, Control supply under-voltage protection (UV)
  • For N-side: Drive circuit, Control supply under-voltage protection (UV), Over temperature protection (OT), Short circuit protection (SC) with outer shunt resistor
  • Fault signaling: Corresponding to SC fault (N-side IGBT), UV fault (N-side supply) and OT fault
  • Temperature monitoring: Outputting LVIC temperature by analog signal, Arm short circuit prevention: Interlock (IL)
  • Input interface: Schmitt-triggered 3V, 5V input compatible, high active logic.

Specifications

Rated Voltage (Vces)/(Vds) 600
Rated Current (Ices)/(Ids) 50
Viso (Vrms) 2500
Connection Type Six-Pack
Package Type Compact
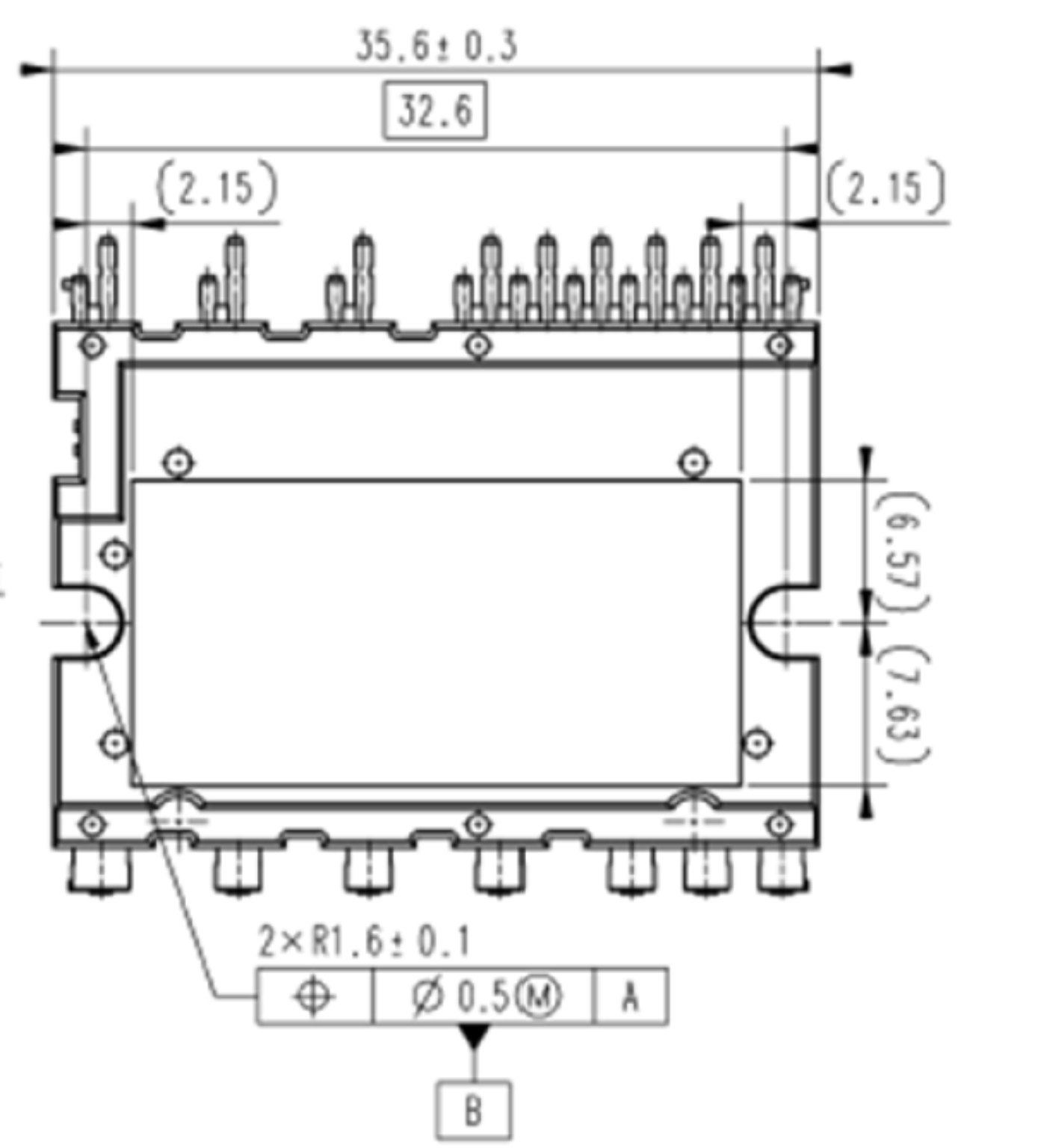
Package/Dimensions (mm) 35.6 x 24.4
RoHS Compliant Reach Compliant UL Compliant